DIN 16903(G) - 1974 六角通孔中间带槽台阶镶入螺母 带密封垫圈 G型
工艺:
详细信息
DIN 16903(G) - 1974 六角通孔中间带槽台阶镶入螺母 带密封垫圈 G型
类型:插销式、开孔式、预埋式等
材质、等级:不锈钢、碳钢。
表面处理:彩锌、蓝白锌等。
盐雾时间:可做72H,96H,144H以上,特殊盐雾需要和客服人员进行沟通确认。
ray雷竞技入口专业销售嵌件类等,如需技术选型及参数请联系客服。
电话咨询:400-086-0001 025-86183701-8026
徐小姐
邮件咨询:dm8026@18luosi.com
QQ咨询:2850588428
手机咨询:13584080500

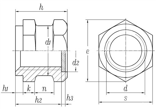
| 公称直径 | M3 | (M3.5) | M4 | M5 | M6 | M8 | M10 | M12 | |
| k | 1.2 | 1.5 | 1.5 | 2 | 2.5 | 3.5 | 4 | 5 | |
| h1 | 1 | 1 | 1 | 1 | 1 | 1 | 1 | 1 | |
| n | 1.8 | 2.2 | 2.5 | 3 | 3.5 | 4.5 | 6 | 7 | |
| h3 | 0.32 | 0.5 | 0.5 | 0.5 | 0.5 | 1 | 1 | 1 | |
| d2 | (D11) | 3.2 | 3.8 | 4.5 | 6 | 7 | 9 | 11 | 13 |
| d1 | (h12) | 3.8 | 4.5 | 5 | 6.4 | 7.4 | 10.4 | 13 | 17 |
| e | ≈ | 5.8 | 6.1 | 6.9 | 8.1 | 10.4 | 12.7 | 16.2 | 21.9 |
| h2 | (h14) | 4.5 | 5.5 | 6 | 7.5 | 9 | 12 | 15 | 18 |
| h | (h12) | 5.3 | 6.5 | 7 | 8.5 | 10 | 13.5 | 16.5 | 19.5 |
| s | 5 | 5.5 | 6 | 7 | 9 | 11 | 14 | 19 | |