GB/ T 845 - 2017 十字槽盘头自攻螺钉
工艺:
详细信息
GB/ T 845 - 2017 十字槽盘头自攻螺钉
材质、等级:4.8级、8.8级、10.9级、12.9级、304、316等。
表面处理:环保蓝白锌,环保彩锌,环保达克罗,锌镍合金,镀镍,环保黑锌等。
盐雾时间:可做48H、72H、120H、240H等。
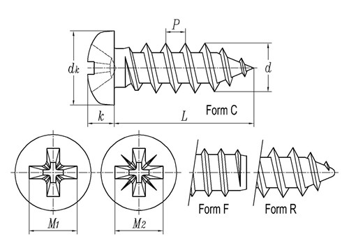
可做十字一字复合槽、防盗槽型、锁紧螺纹、涂胶螺钉等,可根据客户要求进行定制。
电话咨询:400-086-0001 025-86183701-8026
徐小姐
邮件咨询:dm8026@18luosi.com
QQ咨询:2850588428

| 公称直径 | ST2.2 | ST2.9 | ST3.5 | ST4.2 | ST4.8 | ST5.5 | ST6.3 | ST8 | ST9.5 | |
| P | 螺距 | 0.8 | 1.1 | 1.3 | 1.4 | 1.6 | 1.8 | 1.8 | 2.1 | 2.1 |
| dk | 最大值 | 4 | 5.6 | 7 | 8 | 9.5 | 11 | 12 | 16 | 20 |
| 最小值 | 3.7 | 5.3 | 6.64 | 7.64 | 9.14 | 10.57 | 11.57 | 15.57 | 19.48 | |
| k | 最大值 | 1.6 | 2.4 | 2.6 | 3.1 | 3.7 | 4 | 4.6 | 6 | 7.5 |
| 最小值 | 1.4 | 2.15 | 2.35 | 2.8 | 3.4 | 3.7 | 4.3 | 5.6 | 7.1 | |
| 槽号 | 0 | 1 | 2 | 2 | 2 | 3 | 3 | 4 | 4 | |
| M1 | 1.9 | 3 | 3.9 | 4.4 | 4.9 | 6.4 | 6.9 | 9 | 10.1 | |
| M2 | 2 | 3 | 4 | 4.4 | 4.8 | 6.2 | 6.8 | 8.9 | 10.1 | |