ISO 14582 - 2013 沉头梅花槽螺钉, 高头
工艺:
详细信息
ISO 14582 - 2013 沉头梅花槽螺钉, 高头
材质、等级:4.8级、8.8级、10.9级、12.9级、304、316等。
表面处理:环保蓝白锌,环保彩锌,环保达克罗,锌镍合金,镀镍,环保黑锌等。
盐雾时间:可做48H、72H、120H、240H等。
可做十字一字复合槽、防盗槽型、锁紧螺纹、涂胶螺钉等,可根据客户要求进行定制。
电话咨询:400-086-0001 025-86183701-8026
徐小姐
邮件咨询:dm8026@18luosi.com
QQ咨询:2850588428

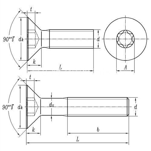
| 螺纹尺寸 d | M3 | M4 | M5 | M6 | M8 | M10 | ||
| P | 螺距 | 0.5 | 0.7 | 0.8 | 1 | 1.25 | 1.5 | |
| b | 参考 | 18 | 20 | 22 | 24 | 28 | 32 | |
| dk | 理论值 | 最大值 | 7.4 | 10.02 | 12 | 14.44 | 19.38 | 23 |
| 实际值 | 最大值 | 6.57 | 9.02 | 10.9 | 13.2 | 17.9 | 21.3 | |
| 最小值 | 6.17 | 8.52 | 10.27 | 12.46 | 17.09 | 20.49 | ||
| ds | 最大值 | 3 | 4 | 5 | 6 | 8 | 10 | |
| 最小值 | 2.86 | 3.82 | 4.82 | 5.82 | 7.78 | 9.78 | ||
| k | 最大值 | 2.2 | 3.01 | 3.5 | 4.22 | 5.69 | 6.5 | |
| 槽号 | 10 | 20 | 25 | 30 | 45 | 50 | ||
| A | 参考 | 2.8 | 3.95 | 4.5 | 5.6 | 7.93 | 8.95 | |
| t | 最大值 | 1.18 | 1.69 | 1.89 | 2.22 | 2.99 | 3.3 | |
| 最小值 | 0.92 | 1.3 | 1.5 | 1.83 | 2.6 | 2.91 | ||