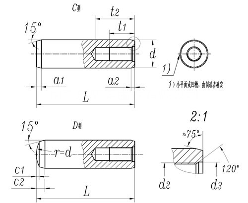
DIN 7979 - 1977 内螺纹圆柱销
工艺:
详细信息
DIN 7979 - 1977 内螺纹圆柱销
材质:45#、轴承钢、合金钢、不锈钢、特殊材料等
等级:450-500HV;550-650HV;可根据客户要求进行定制生产
表面处理:本色
直径公差带:m6;可根据客户要求进行定制生产
电话咨询:400-086-0001 025-86183701-8026
徐小姐
邮件咨询:dm8026@18luosi.com
QQ咨询:2850588428

| 公称直径 | Φ6 | Φ8 | Φ10 | Φ12 | Φ14 | Φ16 | Φ20 | Φ25 | Φ30 | Φ40 | Φ50 | Φ60 | Φ70 | Φ80 | ||
| d | m6 | 最大值 | 6.012 | 8.015 | 10.015 | 12.018 | 14.018 | 16.018 | 20.021 | 25.021 | 30.021 | 40.025 | 50.025 | 60.03 | 70.03 | 80.03 |
| 最小值 | 6.004 | 8.006 | 10.006 | 12.007 | 14.007 | 16.007 | 20.008 | 25.008 | 30.008 | 40.009 | 50.009 | 60.011 | 70.011 | 80.011 | ||
| a1 | ≈ | 1.2 | 1.6 | 2 | 2.5 | 2.5 | 3 | 3.5 | 4 | 5 | 6.3 | 8 | 10 | 12 | 14 | |
| a2 | 0.8 | 1 | 1.2 | 1.6 | 1.8 | 2 | 2.5 | 3 | 4 | 5 | 6.3 | 8 | 10 | 12 | ||
| C1 | ≈ | 0.6 | 0.8 | 1 | 1.2 | 1.4 | 1.6 | 2 | 2.5 | 3 | 4 | 5 | 6 | 7 | 8 | |
| C2 | ≈ | 2.1 | 2.6 | 3 | 3.8 | 4 | 4.7 | 6 | 6 | 7 | 8 | 10 | 12 | 14 | 16 | |
| d2 | M4 | M5 | M6 | M6 | M8 | M8 | M10 | M16 | M20 | M20 | M24 | M30 | M36 | M42 | ||
| d3 | 4.3 | 5.3 | 6.4 | 6.4 | 8.4 | 8.4 | 10.5 | 17 | 21 | 21 | 25 | 31 | 37 | 43 | ||
| t1 | 6 | 8 | 10 | 10 | 12 | 12 | 16 | 24 | 30 | 30 | 36 | 40 | 54 | 63 | ||
| t2 | 最小值 | 10 | 12 | 16 | 16 | 20 | 20 | 25 | 34 | 42 | 42 | 50 | 56 | 71 | 82 | |