ANSIASME B 18.2.2 - 2015 六角法兰螺母 [Table 12]
工艺:
详细信息
ANSIASME B 18.2.2 - 2015 六角法兰螺母 [Table 12] 材质、等级:4级、8级、10级、12级、A2-70、A4-70 、A4-80等
表面处理:镀普通蓝白锌、普通彩锌、热镀锌、环保彩锌、环保蓝白锌、环保达克罗等
盐雾时间:可做72H、96H、120H、300H、360H、720H等高盐雾处理
电话咨询:400-086-0001 025-86183701-8026
徐小姐
邮件咨询:dm8026@18luosi.com
QQ咨询:2850588428

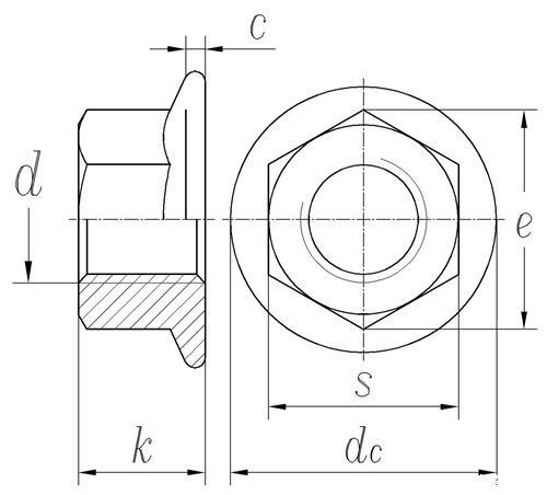
| 公称直径 | 6# | 8# | 10# | 12# | 1/4 | 5/16 | 3/8 | 7/16 | 1/2 | 9/16 | 5/8 | 3/4 | |
| d | 0.138 | 0.164 | 0.19 | 0.216 | 0.25 | 0.3125 | 0.375 | 0.4375 | 0.5 | 0.5625 | 0.625 | 0.75 | |
| PP | UNC | 32 | 32 | 24 | 24 | 20 | 18 | 16 | 14 | 13 | 12 | 11 | 10 |
| s | 最大值 | 0.302 | 0.334 | 0.365 | 0.428 | 0.428 | 0.489 | 0.551 | 0.675 | 0.736 | 0.861 | 0.922 | 1.088 |
| 最小值 | 0.312 | 0.344 | 0.375 | 0.438 | 0.438 | 0.5 | 0.562 | 0.688 | 0.75 | 0.875 | 0.938 | 1.125 | |
| e | 最小值 | 0.342 | 0.381 | 0.416 | 0.488 | 0.488 | 0.557 | 0.628 | 0.768 | 0.84 | 0.982 | 1.051 | 1.24 |
| 最大值 | 0.361 | 0.397 | 0.433 | 0.505 | 0.505 | 0.577 | 0.65 | 0.794 | 0.866 | 1.01 | 1.083 | 1.299 | |
| dc | 最小值 | 0.406 | 0.452 | 0.48 | 0.574 | 0.574 | 0.66 | 0.728 | 0.91 | 1 | 1.155 | 1.248 | 1.46 |
| 最大值 | 0.422 | 0.469 | 0.5 | 0.594 | 0.594 | 0.68 | 0.75 | 0.937 | 1.031 | 1.188 | 1.281 | 1.5 | |
| k | 最小值 | 0.156 | 0.187 | 0.203 | 0.222 | 0.222 | 0.268 | 0.33 | 0.375 | 0.437 | 0.483 | 0.545 | 0.627 |
| 最大值 | 0.171 | 0.203 | 0.219 | 0.236 | 0.236 | 0.283 | 0.347 | 0.395 | 0.458 | 0.506 | 0.569 | 0.675 | |
| c | 最小值 | 0.02 | 0.02 | 0.03 | 0.04 | 0.04 | 0.04 | 0.04 | 0.04 | 0.05 | 0.05 | 0.05 | 0.06 |