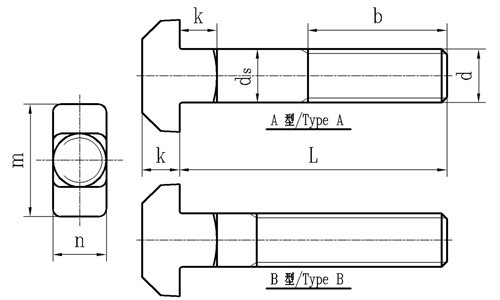
DIN186 T型螺栓
标准:DIN 186-2010 T型方颈螺栓
工艺:冷镦
详细信息
DIN186 T型螺栓 材质、等级:8.8级、10.9级、12.9级 、A2-70、A4-70 、A4-80等
表面处理:镀普通蓝白锌、普通彩锌、热镀锌、环保彩锌、环保蓝白锌、环保达克罗等
盐雾时间:可做72H、96H、120H、300H、360H、720H等高盐雾处理
电话咨询:400-086-0001 025-86183701-8026
徐小姐
邮件咨询:dm8026@18luosi.com
QQ咨询:2850588428

| Nominal Diameter | M6 | M8 | M10 | M12 | M16 | M20 | M24 | M30 | M36 | M42 | M48 | |
| P | Pitch | 1 | 1.25 | 1.5 | 1.75 | 2 | 2.5 | 3 | 3.5 | 4 | 4.5 | 5 |
| b | L≤120 (Type A) | 18 | 22 | 26 | 30 | 38 | 46 | 54 | 66 | 78 | / | / |
| 120<L≤200 (Type A) | / | 28 | 32 | 36 | 44 | 52 | 60 | 72 | 84 | 96 | 108 | |
| L>200 (Type A) | / | / | / | 49 | 57 | 65 | 73 | 85 | 97 | 109 | 128 | |
| Type B* | L-10 | L-13 | L-16 | L-19 | L-25 | L-31 | L-37 | L-43 | L-55 | L-60 | L-72 | |
| ds | Nominal Size | 6 | 8 | 10 | 12 | 16 | 20 | 24 | 30 | 36 | 42 | 48 |
| max | 6.48 | 8.58 | 10.58 | 12.7 | 16.7 | 20.84 | 24.84 | 30.84 | 37 | 43 | 49 | |
| min | 5.52 | 7.42 | 9.42 | 11.3 | 15.3 | 19.16 | 23.16 | 29.16 | 35 | 41 | 47 | |
| k | Nominal Size | 4.5 | 5.5 | 7 | 8 | 10.5 | 13 | 15 | 19 | 23 | 26 | 30 |
| max | 4.9 | 5.9 | 7.5 | 8.75 | 11.4 | 13.9 | 15.9 | 20 | 24 | 27 | 31 | |
| min | 4.1 | 5.1 | 6.5 | 7.25 | 9.6 | 12.1 | 14.1 | 18 | 22 | 25 | 29 | |
| n | Nominal Size | 6 | 8 | 10 | 12 | 16 | 20 | 24 | 30 | 36 | 42 | 48 |
| max | 6.6 | 8.75 | 10.75 | 12.9 | 16.9 | 21 | 25 | 31 | 37.25 | 43.25 | 49.25 | |
| min | 5.4 | 7.25 | 9.25 | 11.1 | 15.1 | 19 | 23 | 29 | 34.75 | 40.75 | 46.75 | |
| m | Nominal Size | 16 | 18 | 21 | 26 | 30 | 36 | 43 | 54 | 66 | 80 | 88 |
| max | 15.1 | 17.1 | 20 | 25 | 29 | 34.75 | 41.75 | 52.5 | 64.5 | 78.5 | 86.25 | |
| min | 16.9 | 18.9 | 22 | 27 | 31 | 37.25 | 44.25 | 55.5 | 67.5 | 81.5 | 89.75 | |
| ①,Threaded chamfered end (CH) or rounded end (RN) according to DIN EN ISO 4753 according to the manufacturer's choice | ||||||||||||
| ②,For L > 200 mm. Lengths over 200 mm are to be stepped from 20 mm to 20 mm. The following applies to these lengths: Thread length b = 2 d + 25 mm or as agreed. | ||||||||||||
| ③,* Type B thread length (b) = Corresponding total length (L) - unthreaded length (Lg) [The corresponding unthreaded length is given in the table] | ||||||||||||