Q151C 外六角螺栓
标准:Q 151C 六角头较细牙螺栓
工艺:冷镦
详细信息
Q151C 外六角螺栓 材质、等级:8.8级、10.9级、12.9级 、A2-70、A4-70 、A4-80等
表面处理:镀普通蓝白锌、普通彩锌、热镀锌、环保彩锌、环保蓝白锌、环保达克罗等
盐雾时间:可做72H、96H、120H、300H、360H、720H等高盐雾处理
电话咨询:400-086-0001 025-86183701-8026
徐小姐
邮件咨询:dm8026@18luosi.com
QQ咨询:2850588428
表面处理:镀普通蓝白锌、普通彩锌、热镀锌、环保彩锌、环保蓝白锌、环保达克罗等
盐雾时间:可做72H、96H、120H、300H、360H、720H等高盐雾处理
电话咨询:400-086-0001 025-86183701-8026
徐小姐
邮件咨询:dm8026@18luosi.com
QQ咨询:2850588428

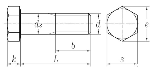
| Nominal Diameter | M10 | (M12) | M20 | (M22) | ||
| P | Pitch | 1.25 | 1.5 | 2 | 2 | |
| b | L≤125 | 26 | 30 | 46 | 50 | |
| 125<L≤200 | 32 | 36 | 52 | 56 | ||
| ds | max=nominal size | 10 | 12 | 20 | 22 | |
| min | Grade A | 9.78 | 11.73 | 19.67 | 21.67 | |
| Grade B | 9.64 | 11.57 | 19.48 | 21.48 | ||
| e | min | Grade A | 17.77 | 20.03 | 33.53 | 37.72 |
| Grade B | 17.59 | 19.85 | 32.95 | 37.29 | ||
| k | Nominal Size | 6.4 | 7.5 | 12.5 | 14 | |
| Grade A | max | 6.58 | 7.68 | 12.715 | 14.215 | |
| min | 6.22 | 7.32 | 12.285 | 13.785 | ||
| Grade B | max | 6.69 | 7.79 | 12.85 | 14.35 | |
| min | 6.11 | 7.21 | 12.15 | 13.65 | ||
| s | max=nominal size | 16 | 18 | 30 | 34 | |
| min | Grade A | 15.73 | 17.73 | 29.67 | 33.38 | |
| Grade B | 15.57 | 17.57 | 29.16 | 33 | ||