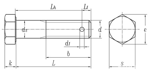
GB/T31.1 外六角螺栓
标准:GB /T31.1-2013 六角头螺杆带孔螺栓
工艺:冷镦
详细信息
GB/T31.1 外六角全牙螺栓 材质、等级:8.8级、10.9级、12.9级 、A2-70、A4-70 、A4-80等
表面处理:镀普通蓝白锌、普通彩锌、热镀锌、环保彩锌、环保蓝白锌、环保达克罗等
盐雾时间:可做72H、96H、120H、300H、360H、720H等高盐雾处理
电话咨询:400-086-0001 025-86183701-8026
徐小姐
邮件咨询:dm8026@18luosi.com
QQ咨询:2850588428
表面处理:镀普通蓝白锌、普通彩锌、热镀锌、环保彩锌、环保蓝白锌、环保达克罗等
盐雾时间:可做72H、96H、120H、300H、360H、720H等高盐雾处理
电话咨询:400-086-0001 025-86183701-8026
徐小姐
邮件咨询:dm8026@18luosi.com
QQ咨询:2850588428

| Nominal Diameter | M6 | M8 | M10 | M12 | (M14) | M16 | (M18) | M20 | (M22) | M24 | (M27) | M30 | M36 | M42 | M48 | ||
| P | Pitch | 1 | 1.25 | 1.5 | 1.75 | 2 | 2 | 2.5 | 2.5 | 2.5 | 3 | 3 | 3.5 | 4 | 4.5 | 5 | |
| b | L≤125 | 18 | 22 | 26 | 30 | 34 | 38 | 42 | 46 | 50 | 54 | 60 | 66 | / | / | / | |
| 125<L≤200 | 24 | 28 | 32 | 36 | 40 | 44 | 48 | 52 | 56 | 60 | 66 | 72 | 84 | 96 | 108 | ||
| L>200 | 37 | 41 | 45 | 49 | 53 | 57 | 61 | 65 | 69 | 73 | 79 | 85 | 97 | 109 | 121 | ||
| ds | max=nominal size | 6 | 8 | 10 | 12 | 14 | 16 | 18 | 20 | 22 | 24 | 27 | 30 | 36 | 42 | 48 | |
| min | Grade A | 5.82 | 7.78 | 9.78 | 11.73 | 13.73 | 15.73 | 17.73 | 19.67 | 21.67 | 23.67 | / | / | / | / | / | |
| Grade B | 5.7 | 7.64 | 9.64 | 11.57 | 13.57 | 15.57 | 17.57 | 19.48 | 21.48 | 23.48 | 26.48 | 29.48 | 35.38 | 41.38 | 47.38 | ||
| e | min | Grade A | 11.05 | 14.38 | 17.77 | 20.03 | 23.36 | 26.75 | 30.14 | 33.53 | 37.72 | 39.98 | / | / | / | / | / |
| Grade B | 10.89 | 14.2 | 17.59 | 19.85 | 22.78 | 26.17 | 29.56 | 32.95 | 37.29 | 39.55 | 45.2 | 50.85 | 60.79 | 71.3 | 82.6 | ||
| k | Nominal Size | 4 | 5.3 | 6.4 | 7.5 | 8.8 | 10 | 11.5 | 12.5 | 14 | 15 | 17 | 18.7 | 22.5 | 26 | 30 | |
| Grade A | max | 3.85 | 5.15 | 6.22 | 7.32 | 8.62 | 9.82 | 11.285 | 12.285 | 13.785 | 14.785 | / | / | / | / | / | |
| min | 4.15 | 5.45 | 6.58 | 7.68 | 8.98 | 10.18 | 11.715 | 12.715 | 14.215 | 15.215 | / | / | / | / | / | ||
| Grade B | max | 4.24 | 5.54 | 6.69 | 7.79 | 9.09 | 10.29 | 11.85 | 12.85 | 14.35 | 15.35 | 17.35 | 19.12 | 22.92 | 26.42 | 30.42 | |
| min | 3.76 | 5.06 | 6.11 | 7.21 | 8.51 | 9.71 | 11.15 | 12.15 | 13.65 | 14.65 | 13.65 | 18.28 | 22.08 | 25.58 | 29.58 | ||
| s | max=nominal size | 10 | 13 | 16 | 18 | 21 | 24 | 27 | 30 | 34 | 36 | 41 | 46 | 55 | 65 | 75 | |
| min | Grade A | 9.78 | 12.73 | 15.73 | 17.73 | 20.67 | 23.67 | 26.67 | 29.67 | 33.38 | 35.38 | / | / | / | / | / | |
| Grade B | 9.64 | 12.57 | 15.57 | 17.57 | 20.16 | 23.16 | 26.16 | 29.16 | 33 | 35 | 40 | 45 | 53.8 | 63.1 | 73.1 | ||
| L1 | Nominal Size | 3.3 | 4 | 5 | 6 | 6.5 | 7 | 8 | 8 | 9 | 10 | 10 | 12 | 13 | 15 | 16 | |
| d1 | max | 1.85 | 2.25 | 2.75 | 3.5 | 3.5 | 4.3 | 4.3 | 4.3 | 5.3 | 5.3 | 5.3 | 6.66 | 6.66 | 8.36 | 8.36 | |
| min | 1.6 | 2 | 2.5 | 3.2 | 3.2 | 4 | 4 | 4 | 5 | 5 | 5 | 6.3 | 6.3 | 8 | 8 | ||